Orbitool
ORBITOOL®
Kesişen Deliklerde Çapak Alma
ORBITOOL®
Kesişen Deliklerde Çapak Alma
Orbitool® Nedir?
Çapraz (cross-hole) delik uygulamalarında; ana deliğe düz veya açılı patlayan mikro deliklerin kesişim noktalarında ters köşelerdeki çapaklara (back-burr) erişim sağlayan takım teknolojisidir.
Orbitool® Çapak Alma Takımları
Türkiye Tek Yetkili Distribütörü Süleyman Görmüş Otomotiv’dir.
Orbitool® Çapak Alma Takımları
Düz, açılı veya oval ağızlı çapraz delik uygulamalarında kesişen ters köşe noktaları için en ideal takımlardır.
* Orbitool® Çapak Alma Takımları’nın sarmal enterpolasyon (helical interpolation) özelliği göz önünde bulundurulduğunda, öncelikle CNC Tornalar ve İşlem Merkezleri’nde kullanılabilir oldukları akla gelebilir. Ancak takımlar, mükemmel verim alınacak şekilde, manuel kullanım için de son derece uygun takımlardır.
* Orbitool® çapak alma uçlarımız, ‘yarım küre’ ve ‘tam küre’ seçeneklerinde, 1.88mm’den 9.52mm’ye kadar 7 farklı standart koruyucu disk çapı ölçüsünde üretilmektedir. Özel üretim ‘Mikro Tool’ takımımız ile de 1.15mm hareket çapı ölçüsüne erişim sağlanmaktadır. Mikro Tool ürünümüz, ergonomik yapısı gereği yalnızca ‘yarım küre’ olarak üretilmektedir.
* Birbiri içine patlayan delik uygulamalarında, küçük deliğin ana deliğe yalnızca dikey (90º) patlıyor olması şart değildir. Orbitool® takımlarımız sayesinde; 60º, 45º ve hatta 30º’ye kadar dar açılardaki kesişim noktalarında bulunan ters köşe çapaklara erişebilirsiniz.
* Gerek CNC ve İşlem Merkezi ve gerekse Manuel kullanım için ideal takımlardır.
Kesici uç üzerindeki koruyucu disk sayesinde İşlem gören İç yüzey, kesici uçtan zarar görmez. Hedef yalnızca çapaktır.
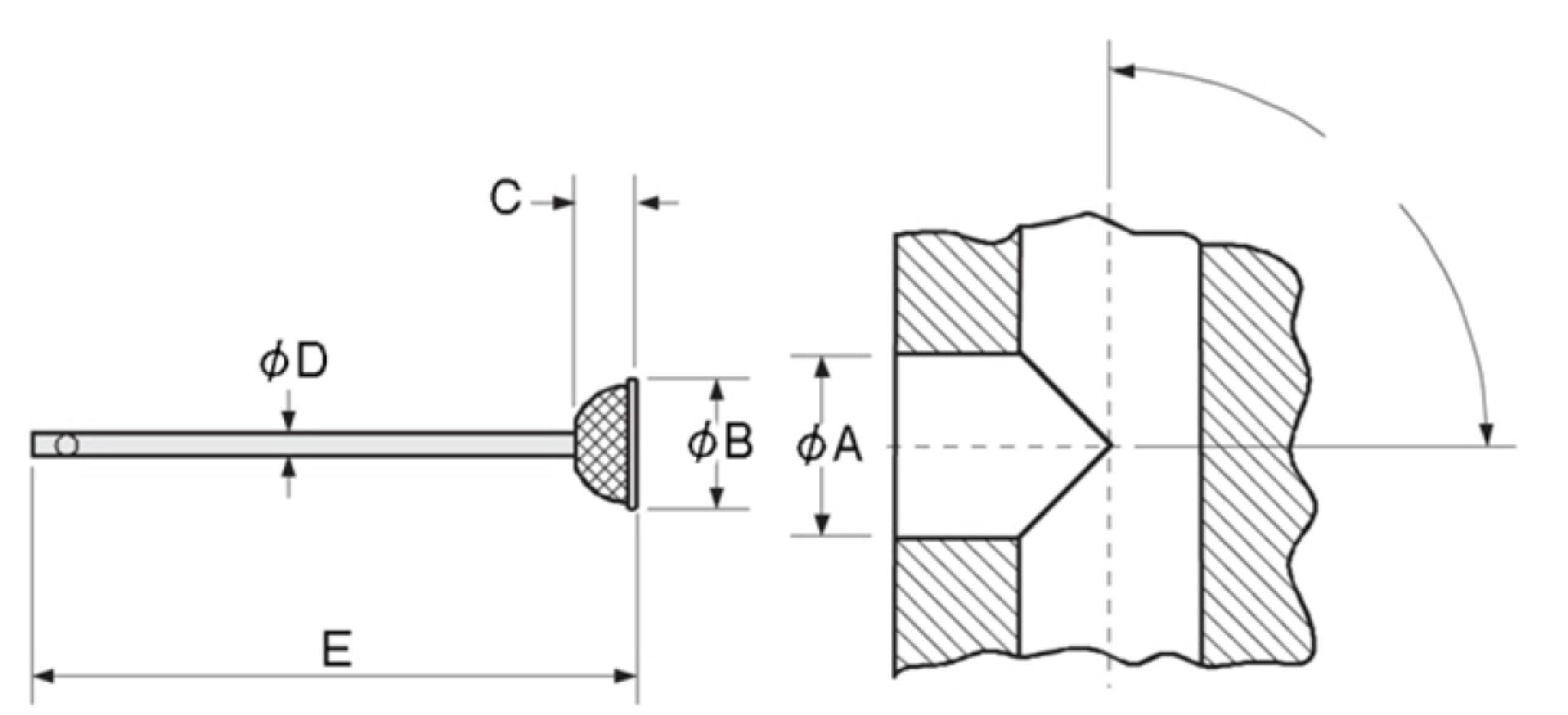
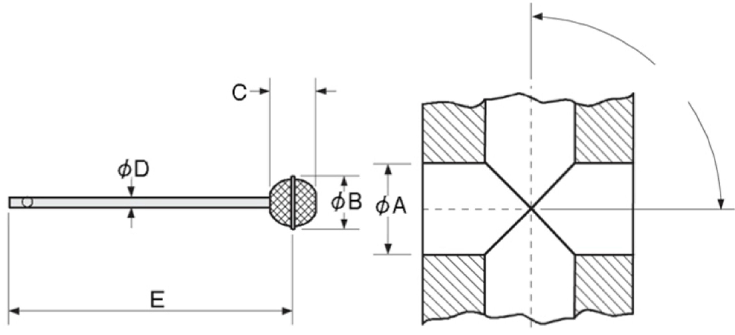
Takım Ölçüleri
Çapak alma uçlarımız 1.88mm’den 9.52mm’ ye kadar 7 farklı ölçülerde mevcuttur.
Hassas Çapak Alma
Enterpolasyona haiz takımlarımız boylarından büyük iş çıkarırlar.
Malzeme Kısıtlaması Yok
Çelik, döküm, alüminyum vs tüm malzemelerde çapak alma olanağımız mevcuttur.
Kesici uç/takım,işlem görecek delik merkezine ilerleme eksen merkezinde (Z ekseni) girer.

Kesici takım,ilerleme kaydedeceği delik çeperine doğru (X ekseni) hareket ettirilir. Bu yaklaşma için
Formül : ((Enterpolasyon Çapı ÷ 2)-0.05)
Örneğin işlem görecek 8mm iç çap için merkezden çepere yaklaşma hesaplaması :
((8mm -1.55mm)÷)-0.05=3.175mm

Takım çalıştırılır ve takım dönüşü ile birlikte sarmal enterpolasyon başlar.
Takım Dönüş Hızı / Devir : 2.000 – 12.000 rpm
İlerleme : 0.05mm ~ 0.6 mm / 1 sarmal enterpolasyon (helis tur)
Takım kesişme noktasına ilerler, kesisi uç köşe ile buluşur ve çapak alma operasyonu başlar.
Kesici ucun tüm helis yüzeyi, kesişme noktasını tarayarak boşa düşer. Takım hareketi sonlandırılır
Merkez ekseninde takım geri çekilir.
Yarım Küre Orbitool®

| Sipariş No’ları Kesici Ölçüleri mm/inch | Yaklaşık Min. Delik Çapı A – giriş açısına göre değişir | Ø B Koruyucu Disk Çapı mm | C Kesici Kafa Yüksekliği mm | Ø D Kesici Sap Çapı mm | E Sap Uzunluğu mm | ||
|---|---|---|---|---|---|---|---|
| 90° mm | 60° mm | 45° mm | |||||
| SGO-074S 1.88mm/0.074“ | 2.00 | 1.88 | 2.03 | 0.76 | 63.5 | ||
| SGO-238S 2.38mm/3/32“ | 3.18 | 4.52 | 6.15 | 2.69 | 2.03 | 0.76 | 63.5 |
| SGO-318S 3.18mm/1/8“ | 4.37 | 6.02 | 8.18 | 3.58 | 2.39 | 1.14 | 101.6 |
| SGO-397S 3.97mm/5/32“ | 5.46 | 7.52 | 10.24 | 4.42 | 2.74 | 1.55 | 101.6 |
| SGO-476S 4.77mm/3/16“ | 6.55 | 9.04 | 12.27 | 5.18 | 3.15 | 1.55 | 101.6 |
| SGO-635S 6.35mm/1/4“ | 8.74 | 12.01 | 16.36 | 6.88 | 3.84 | 2.39 | 152.4 |
| SGO-953S 9.58/3/8“ | 13.13 | 18.03 | 24.54 | 10.31 | 5.51 | 2.39 | 152.4 |
Tam Küre Orbitool®

| Sipariş No'ları Kesici Ölçüleri mm/inch | Yaklaşık Min. Delik Çapı A giriş açısına göre değişir | Ø B Koruyucu Disk Çapı mm | C Kesici Kafa Yüksekliği mm | Ø D Kesici Sap Çapı mm | E Sap Uzunluğu mm | ||
|---|---|---|---|---|---|---|---|
| 90° mm | 60° mm | 45° mm | |||||
| SGO-074D 1.88mm/0.074" | 2.00 | 1.88 | 3.18 | 0.76 | 63.5 | ||
| SGO-238D 2.38mm/3/32" | 3.18 | 4.52 | 6.15 | 2.69 | 3.18 | 0.76 | 63.5 |
| SGO-318D 3.18mm/1/8" | 4.37 | 6.02 | 8.18 | 3.58 | 3.86 | 1.14 | 101.6 |
| SGO-397D 3.97mm/5/32" | 5.46 | 7.52 | 10.24 | 4.42 | 4.55 | 1.55 | 101.6 |
| SGO-476D 4.77mm/3/16" | 6.55 | 9.04 | 12.27 | 5.18 | 5.41 | 1.55 | 101.6 |
| SGO-635D 6.35mm/1/4" | 8.74 | 12.01 | 16.36 | 6.88 | 6.78 | 2.39 | 152.4 |
| SGO-953D 9.58 / 3/8" | 13.13 | 18.03 | 24.54 | 10.31 | 10.11 | 2.39 | 152.4 |
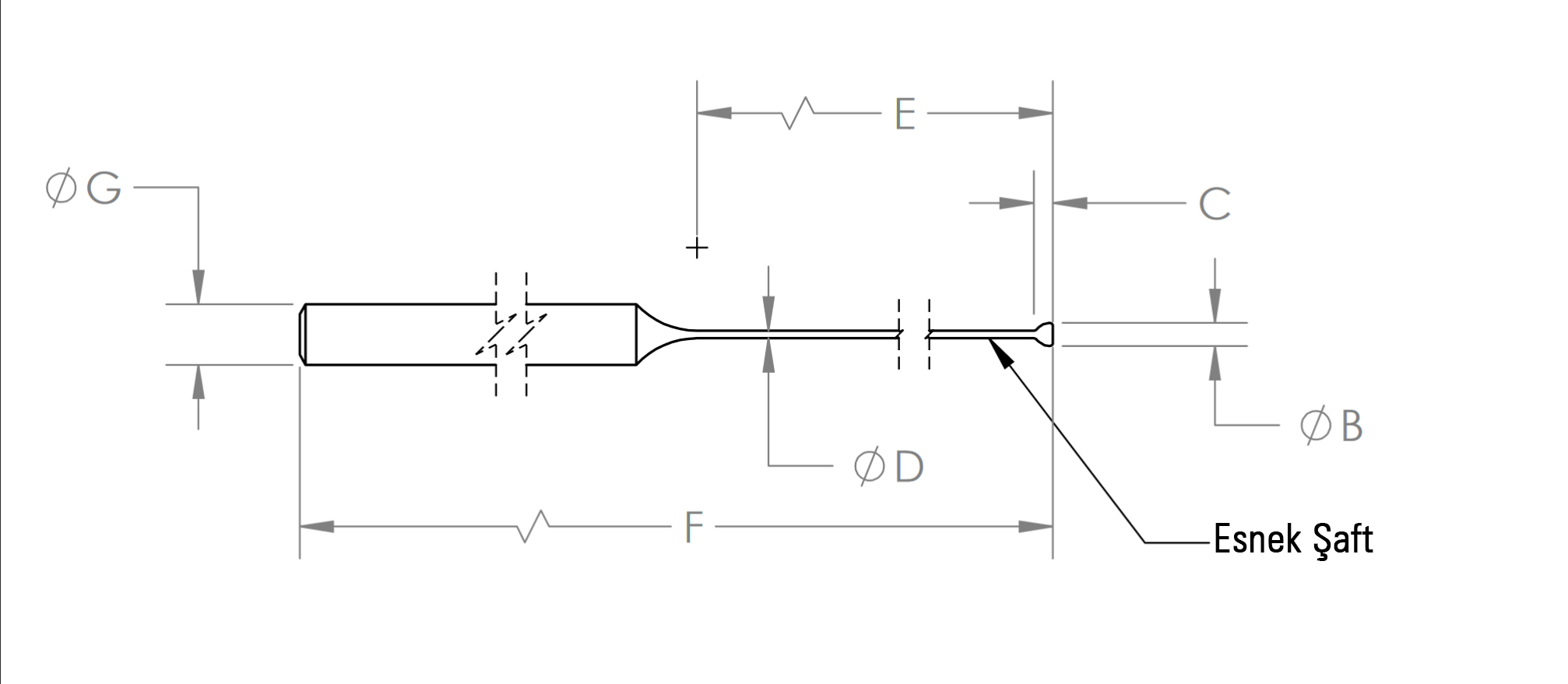
YENİ Orbitool® Microtool 18000 Serisi

| Nominal Boyut | Kesici Parça No Serisi | Ø A Min. (Yaklaşık) Delik Çapı kesişim açısına göre değişir, mm | Ø B Disk Çapı mm | C Baş Yüksekliği mm | Ø D Sap Çapı mm | E Tedarik Edilen mm | F Uzunluk mm | G Sıkma Ucu mm | ||
|---|---|---|---|---|---|---|---|---|---|---|
| 90° | 60° | 45° | ||||||||
| 0.045 | 18000 | 1.3 *özel uygulama yardımı için iletişime geçin | 1.14 | 0.813 | 0.381 | 12.5 | 55 | 3.0 | ||
| 0.045 | 18002 | 1.3 *özel uygulama yardımı için iletişime geçin | 1.14 | 0.813 | 0.381 | 19.0 | 55 | 3.0 | ||
| 0.045 | 18001 | 1.3 *özel uygulama yardımı için iletişime geçin | 1.14 | 0.813 | 0.381 | 25.0 | 55 | 3.0 | ||

Süleyman Görmüş Otomotiv,
JW Done Orbitool® marka ve konsept çapak alma ürünlerinin Türkiye Tek Yetkili Distribütörüdür.












